-
-
January 4, 2023 at 2:54 am
zuoyandaoying
SubscriberHello!
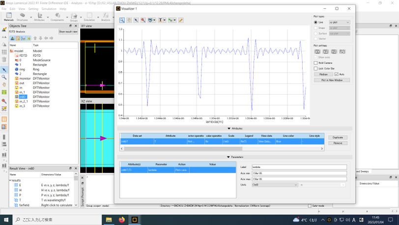
I am trying to simulate the ring resonator at 2D simulation now, and image 1 is the size and g=0.2um.
I followed the sample of another group, I chose the simulation time at 15000, auto shutoff min 1e-10, PML layer 40.
But the problem is that the result of transmission is already more than 1(final image).
so if anybody can give me the answer, thank you very much!
-
January 4, 2023 at 2:55 am
-
January 4, 2023 at 7:20 pm
Guilin Sun
Ansys EmployeeFrom the 2nd screenshot, both the left waveguides are ended in the background material, which is not good. You should reduce the FDTD X min to include both waveguides, eg, extend the waveguides to outside of PML, like in the right side. Otherwise they will cause reflection.
In addition, since you have used very small autoshutoff min, you should use much longer simulation time, say 100 times to the current setting, and let the autoshutoff min to terminate the simulation.
Not running long enough or too large the autoshutoff min is the main cause of such issue. Please refer
-
January 5, 2023 at 9:19 am
zuoyandaoying
SubscriberThanks for your information!Professor Sun.
Today I already change some conditions that you have suggested. Such as extending the waveguides outside of PML, auto shutoff min=1e-15
simulation time = 30000
....
But the result is still more than 1. I am confused about it. So could you please give me another suggestion? thank you very much!
-
-
January 5, 2023 at 4:56 pm
Guilin Sun
Ansys EmployeeObviously, the simulation time is not long enough! it terminated at 100%. You will need to set the simulation time to be 100 times more than your current setting, and let the autoshutoff min to terminate it. the Autoshutoff min 1e-15 is too small. I would suggest to use 1e-6, or 1e-7. Please try.
-
- The topic ‘【ring resonator】About my transmission more than 1’ is closed to new replies.
-
6379
-
1906
-
1457
-
1308
-
1022
© 2026 Copyright ANSYS, Inc. All rights reserved.





